用途
适用于冶金、水泥等行业脱水用。
主要特点
1、每个圆盘由20块扇形板组成,加强了过虑过程的控制,滤饼比较均匀。
2、滤液管横截面大,分配头腔容积大,有利于提高抽气率和过滤排放。
3、采用吹风刮刀卸料,滤饼脱落率提高。
4、采用齿轮传动,交流调速电机调速,调速范围大,运行可靠。
5、采用干油泵集中注油润滑。
6、采用滤布自动清洗保持其良好透气性、过滤性能。
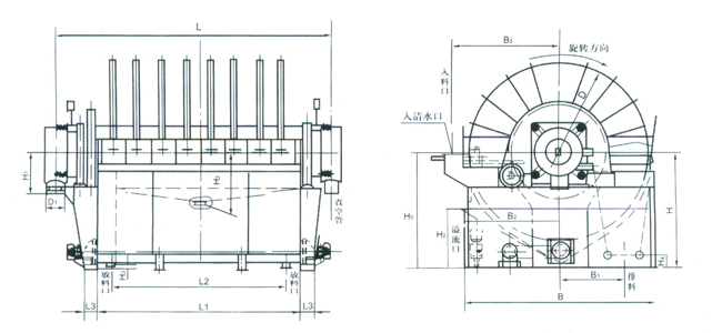
主要技术特征
|
型号
|
D
|
D1
|
L
|
L1
|
L2
|
L3
|
B
|
B1
|
B2
|
B3
|
H
|
H1
|
H2
|
H3
|
H4
|
H5
|
过滤面积
|
过滤盘数
|
处理能力
|
滤饼含水率
|
过滤盘
|
搅拌机
|
槽型面积
|
外形尺寸
|
设备重量
|
|||
|
直径
|
转速
|
电机功率
|
转速
|
电机功率
|
长x宽x高
|
|||||||||||||||||||||||
|
ZPG10
|
2000
|
219
|
2235
|
870
|
|
240
|
2420
|
820
|
1090
|
1450
|
1605
|
430
|
750
|
35
|
200
|
1575
|
10
|
2
|
0.75-1.1
|
<9
|
2000
|
0.5-1.0
|
3
|
0.7-1.0
|
3
|
1.1
|
2420x2820x2665
|
6
|
|
ZPG20
|
3015
|
1650
|
|
20
|
4
|
4
|
4
|
2.4
|
3200x2820x2665
|
7.2
|
||||||||||||||||||
|
ZPG25
|
3405
|
2040
|
1560
|
25
|
5
|
4
|
4
|
3.0
|
3590x2820x2665
|
7.8
|
||||||||||||||||||
|
ZPG30
|
3795
|
2430
|
1950
|
30
|
6
|
4
|
4
|
3.6
|
3080x2820x2665
|
8.4
|
||||||||||||||||||
|
ZPG35
|
4185
|
2820
|
2340
|
35
|
7
|
4
|
4
|
4.2
|
4370x2820x2665
|
9
|
||||||||||||||||||
|
ZPG40
|
4575
|
3210
|
2730
|
40
|
8
|
4
|
4
|
4.8
|
4760x2820x2665
|
9.6
|
||||||||||||||||||

苏公网安备 32020602000269号